Afgelopen zomer ben ik op de fiets dwars door IJsland getrokken, meest onverhard. Ik wilde met m'n MTB gaan, een alu Canyon 29", maar die heeft geen oogjes om een drager aan te bevestigen en ook de steekas is een probleem. Na wat zoeken leek mij de Thule Pack n Paddle wel wat omdat die om het frame klemt, maar na een paar proefritjes met flink wat bagage bleek het toch niet zo stabiel en het zakte ook elke keer naar beneden. Ook het vele plastic gaf me geen vertrouwen dat het IJsland zou overleven. Die is dus naar de voorvork verhuisd voor wat lichtere spullen en voor achter is het na lang zoeken en puzzelen het volgende geworden:
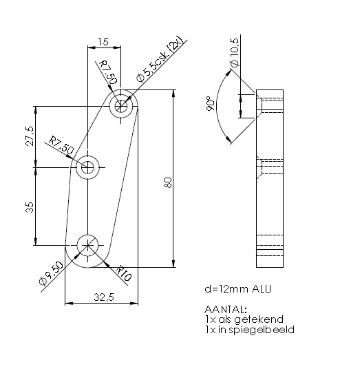
De steekas heb ik vervangen door een exemplaar dat eigenlijk bestemd is voor een BOB trailer, gekocht bij Robert Axle rechtstreeks uit de USA. De drager is een Tubus Logo Classic 29" en de zadelstrop is vervangen door een met draadoogjes en die komt van Singlespeed Central.nl. Voor de verbinding tussen het rek en de as heb ik zelf dan nog de aluminium verbindingsstukjes gemaakt. Uiteindelijk ziet het er redelijk strak uit en er zit geen mm beweging in alsof het onderdeel van het frame is. IJsland heeft ie dus ook met gemak overleefd! Misschien dat iemand met dezelfde problemen hier wat aan heeft.

De steekas heb ik vervangen door een exemplaar dat eigenlijk bestemd is voor een BOB trailer, gekocht bij Robert Axle rechtstreeks uit de USA. De drager is een Tubus Logo Classic 29" en de zadelstrop is vervangen door een met draadoogjes en die komt van Singlespeed Central.nl. Voor de verbinding tussen het rek en de as heb ik zelf dan nog de aluminium verbindingsstukjes gemaakt. Uiteindelijk ziet het er redelijk strak uit en er zit geen mm beweging in alsof het onderdeel van het frame is. IJsland heeft ie dus ook met gemak overleefd! Misschien dat iemand met dezelfde problemen hier wat aan heeft.
