Additionally, paste this code immediately after the opening tag: Telefoonlader ontlaadt? - Forum Wereldfietser

Telefoonlader ontlaadt?

Ik heb op basis van een 78R05 een eenvoudige telefoonlader gebouwd die op mijn fietsdynamo werkt. Uitgangsspanning is keurig 5V al bij lage snelheid. Toch lijkt de telefoon niet echt op te laden en misschien zelfs te ontladen.
De uitgangsimpedantie van de lader is 2,2 k wat mij erg laag lijkt.
Heeft iemand vergelijkbare ervaringen?
2.2k? Dat lijkt mij juist aan de hoge kant. Heb je een schema van wat je gebouwd hebt? In theorie heb je genoeg aan een gelijkrichter, twee condensatoren en de 7805.
Precies,zie schema.

Bijlagen

Nog wat foto's.
IMG_20210708_214526~2.jpg
IMG_20210708_214328~2.jpg
Een condensator tussen de brug en de 7805?
En werkt het wel zonder de 4060?
in theorie moet het werken, in de praktijk niet. de 7805 zet alle energie om in warmte en er blijft niets over om te laden.
koop gewoon een step down convertor en zet die met een elko achter de gelijkrichter
https://www.tinytronics.nl/shop/nl/powe ... -met-4xusb
je kunt met het gelijkrichten vd spanning ook nog wat experimenteren
http://pilom.com/BicycleElectronics/DynamoCircuits.htm
Dat lijkt me raar. Ik meet netjes 5V aan de USB-plug. Ik heb talloze 7805's gebruikt in andere schakelingen en ze werken allemaal prima.

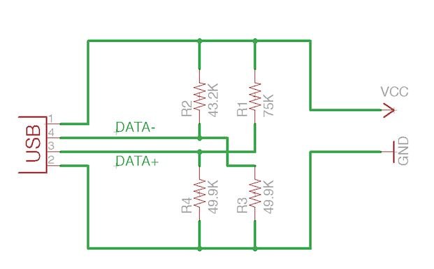
Ik vond pas een duits filmpje waarin werd gesteld dat de datapinnen met elkaar moeten worden verbonden. Zegt dat iemand iets?
Ja, voor usb laden wel, dit schema moet je gebruiken, ik heb zelf wat ge-exprimenteerd met weerstanden.
Capture.JPG
https://electronics.stackexchange.com/q ... ent-output
Ik heb me eens op internet geworpen en ontdek een hele wereld aan eisen aan de datapinnen bij het laden. Ik heb daarom Nokia (ik heb een 8.1) maar eens benaderd met de vraag wat ik met de datapinnen moet doen.

Mijn telefoon zegt: Langzaam laden. Verbinden van de datapinnen (wat je ook regelmatig op internet vindt) levert geen hogere laadsnelheid.
Ik denk dat met een 6V dynamo (SON) er hooguit 500 mA wordt geleverd. Met een accu van 3500 mAh duurt het dus 7 u doorfietsen voor ik de telefoon van 0 naar 100% heb geladen. Dat schiet ook niet echt op dus.
swdick schreef:
wo 14 jul, 2021 11:08
Ik denk dat met een 6V dynamo (SON) er hooguit 500 mA wordt geleverd. Met een accu van 3500 mAh duurt het dus 7 u doorfietsen voor ik de telefoon van 0 naar 100% heb geladen. Dat schiet ook niet echt op dus.
Dat is wat opvalt bij alle laders.
Daarom plug ik op de camping gewoon in bij de buren. Die doen het graag voor je en je voorkomt problemen met diefstal wanneer je in het toiletgebouw laadt.
Klopt wel, 3 watt laden is ongeveer het max wat de dynamo afgeeft, moet je ook nog >19km/h trappen.
ik heb er een Garmin Edge 1000 aanhangen, die is altijd 100% geladen na +/40km
Poppink schreef:
wo 14 jul, 2021 12:09

Daarom plug ik op de camping gewoon in bij de buren. Die doen het graag voor je en je voorkomt problemen met diefstal wanneer je in het toiletgebouw laadt.
Sommige mensen kamperen zonder campings. Dan zijn buren wel eens ver weg, en campingtoiletgebouwen met stopcontacten al helemaal.